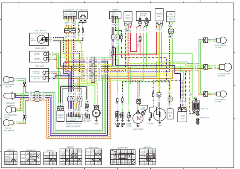
Mini Wiring Diagram Kriss 110 Kymco Agility
Atvconnection i397. 94 c1500 wiring diagram. New rock bouncer!
mini wiring diagram kriss 110
Download PDF
Kymco quad manual


Kymco agility 50 carry wiring diagram. Kymco agility 50 carry wiring diagram. I397 atvconnection. 110 4 stroke wiring diagram wanted
KYMCO QUAD MANUAL - Auto Electrical Wiring Diagram
New Rock Bouncer! | Cars Rockcrawling and cool Rides | Pinterest
K&S Switch Wiring Diagram
Wiring Diagram For 2008 Nissan Titan - Complete Wiring Schemas
110 4 stroke wiring diagram wanted - Page 3 - ATVConnection.com ATV

Nenhum comentário:
Postar um comentário